MULTI-MONTI-plus SSK 16 x 90, Richtstützenanker, SW-24, A2K, 10 Stück

MULTI-MONTI-plus SSK 16 x 90, Richtstützenanker, SW-24, A2K, 10 Stück

Hersteller: HECO · Art.-Nr. 57286

1,00 € inkl. 19% MwSt.

Beschreibung

Der Schraubanker MULTI-MONTI-plus (MMS-plus) ist eine Weiterentwicklung der Betonschraube MULTI-MONTI. Er wird ohne Dübel direkt in ein vorgebohrtes Loch geschraubt und ist sofort belastbar. Die verstärkte Verzahnung an der Schraubenspitze schneidet beim Einschrauben ein Innengewinde in den Baustoff. Dadurch entsteht ein Formschluss, über den schließlich die Verankerung erfolgt. Dies vereinfacht nicht nur den Montagevorgang, sondern gewährleistet dem Handwerker ein hohes Maß an Anwendungssicherheit. Der Schraubanker MULTI-MONTI-plus lässt sich randnah und ohne Drehmomentschlüssel verarbeiten, ist vollständig demontierbar und nach Prüfung wiederverwendbar. Er ist zugelassen für den Einsatz in Beton und Mauerwerk und für die Verwendung unter Brand.

Technische Daten

Allgemeine bauaufsichtliche Zulassung
Z-21.8-2061
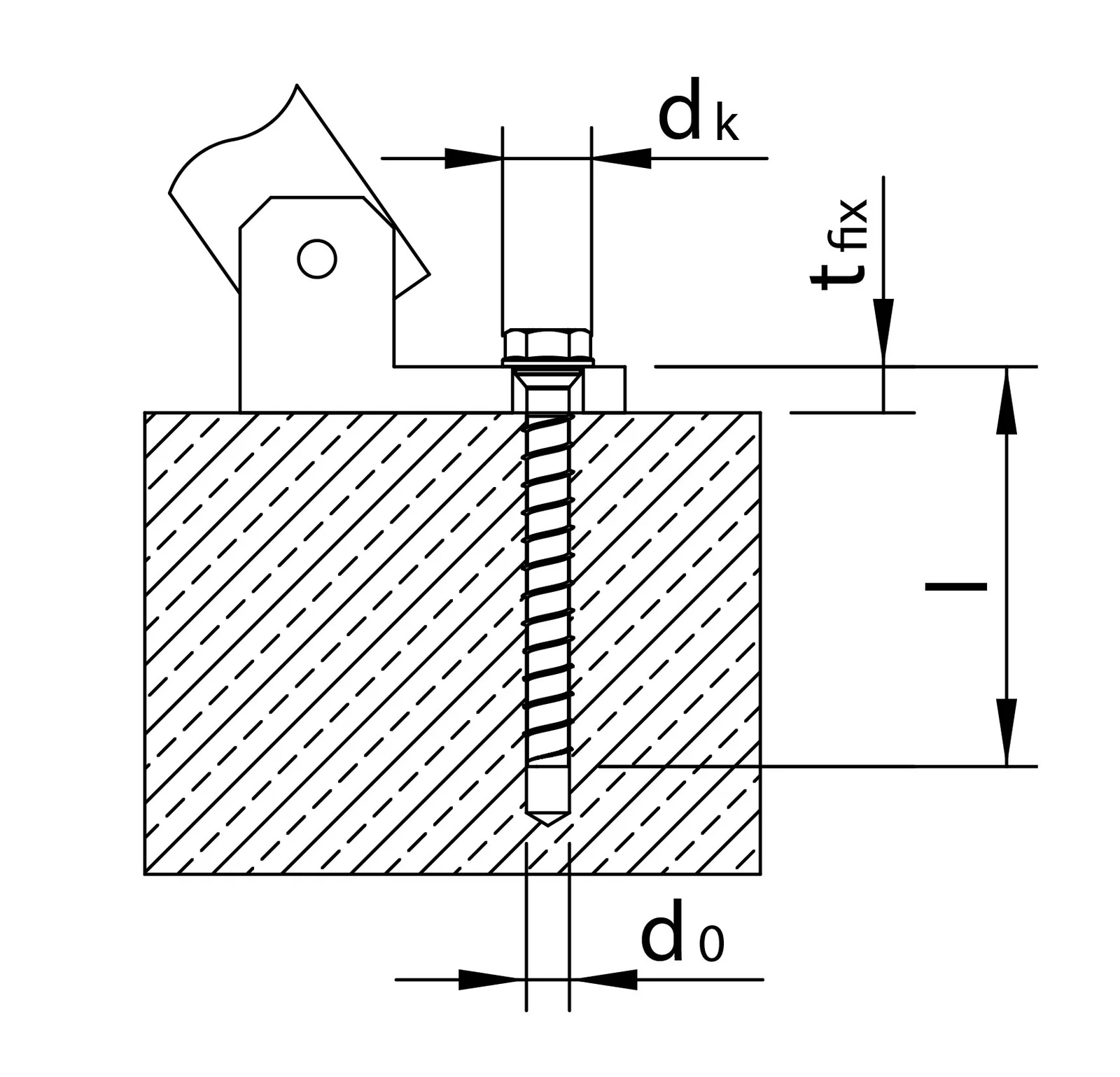
Anbauteildicke (tfix)
15 mm
Antrieb
Sechskantkopf
Antriebsgröße
SW-24
Bohrdurchmesser (d0)
14 mm
Bohrlochtiefe (h)
85 mm
Durchgangsloch im Anbauteil (df)
19 mm
Durchmesser (d)
16 mm
Einschraubtiefe (hnom)
75 mm
Empfohlene max. Leistungsabgabe (Tmax,1)
600 Nm
Gewinde
Betongewinde mit verzahnter Spitze
Gewindelänge (lg)
75 mm
Kopfausführung
Richtstützenanker, Sechskantkopf mit angepresster Scheibe und Konus
Kopfdurchmesser (dk)
30 mm
Länge (l)
90 mm
Material
Stahl, verzinkt blau, A2K
Min. Randabstand (cmin)
60 mm
Mindestbauteildicke (hmin)
150 mm
Verpackungseinheit
10

Ähnliche Artikel

Bestseller